Anmelden  Ein Konto erstellen  Passwort vergessen? 
Loader
9.4.2

Einschlagmutter gerippt mit Bund

Einschlagmutter gerippt mit Bund
Einschlagmutter gerippt mit Bund
Einschlagmutter gerippt mit Bund
Einschlagmutter gerippt mit Bund
Einschlagmutter gerippt mit Bund
Einschlagmutter gerippt mit Bunddrawing_1
Produktinformation
  • Einschlagmuttern mit Halterippen und Bund, auch Holzmuttern genannt, sind lieferbar mit Innengewinde von M8 oder M10
  • Einschlagmuttern werden einfach in ein vorgebohrtes Loch eingeschlagen
  • Halterippen unter dem Bund verhindern das Verdrehen der Einschlagmutter bei weiteren Montagen
  • Zusätzlich einleimen möglich durch umlaufende Nuten am Schaft
  • Stahl verzinkte Einschlagmuttern mit Halterippen und Bund sind geeignet für Montage von Höhenversteller in Möbelwangen, Tischlerplatte, Möbelplatten, MDF, Spanplatten oder Kunststoff.

Material: Stahl verzinkt
Farbe: Zinkfarbig

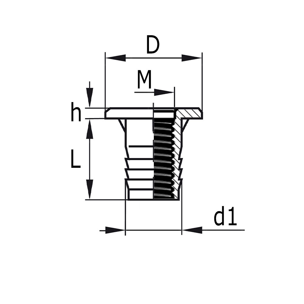
Legende
D=Flansch-Ø, d=Ø-Halterippen, h=Kopfhöhe, L=Schaftlänge, M=Gewindemaß

Filtern nach
1 Seiten -   1  

Artikel Bezeichnung M Bohrung D d1 L h
7120019 ST Einschlagmutter mit Halterippen unter dem Kopf - Stahl - M8 M 8 11 19 11 16 2,5
7120025 ST Einschlagmutter mit Halterippen unter dem Kopf - Stahl - M10 M10 12,5 22,5 12,5 17 2,5

1 Seiten -   1  

Paypal  IBAN  Maestro  mastercard  Visa  American Express  iDeal  Bancontact  Bancontact  Bancontact  Bancontact  Giropay  Sofort banking  Verzending net DPD