Anmelden
Anmelden
Ein Konto erstellen
Passwort vergessen?
Leer
0
+31(0)493 322068
Produktsuche im Bilderindex
Themenspecials
Neue Produkte
Technische Daten
Kundenservice
Kontakt
Produktsuche im Bilderindex
Themenspecials
Neue Produkte
Technische Daten
Kundenservice
Kontakt
Rohrkappen
Lamellenstopfen
Gleiter für Freischwinger und Kufengestelle
Schützen, maskieren und abdichten
Abdeckkappen für Schrauben, Mutter und Bolzen
Stäbe und Kantenschutzprofile aus Kunststoff und Gummi
Stellfüße, Nivellierschrauben und Machinefüße
Gleitlager
Verbindungselemente
Distanzstücke und Abstandshalter
Unterlegscheiben
Muttern
Gewindeeinsätze und Einschlagmutter
Einschlagmutter stahlverzinkt
Einschlagmutter gerippt mit Bund
Gewindeeinsatz für Holz / Rampamuffe - Schlitz
Gewindeeinsatz für Holz / Rampamuffe – Innensechskant
Gewindeeinsatz / Rampamuffe mit Bund – Innensechskant
Gewindestangen
Schrauben und Bolzen
Befestigungsclips und Nieten
Saugnäpfe
Spannschlösser DIN 1480 SP-RR – 2 Ringösen
Steckverbinder
Scharniere
Gummi-Metall-Puffer und Gummibuchsen
Norm- und Bedienteile
Räder und Rollen
Gasfedern und Zubehör
Zaunzubehör
Möbelgleiter und Polsterfüße
Selbstklebende Puffer und Filze
Türstopper und Puffer
Einsteckpuffer und Glasauflagen
Kabelmanagement
Ergonomie
Reihenverbinder für Stühle
Leiterfüße, Leiterschuhe
Bau
Rosetten
Diverse
Ziernagel, Polsternägel und Möbelnagel
Produkte
Verbindungselemente
Gewindeeinsätze und Einschlagmutter
Gewindeeinsatz für Holz / Rampamuffe - Schlitz
Einschraubmuttern Stahl mit Schlitz M4, DIN 7965
Einschraubmuttern Stahl mit Schlitz M4, DIN 7965
Speichern
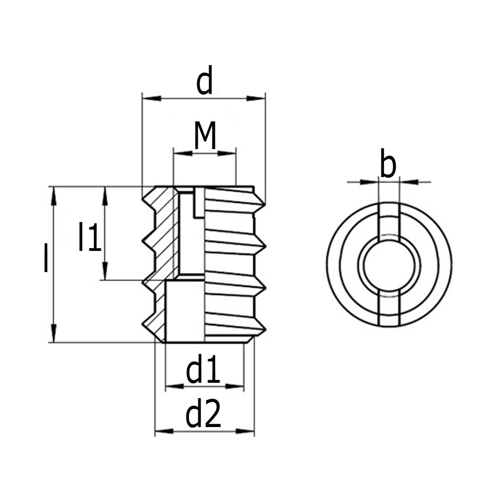
M :
M 4
b :
1.2
d :
8
d1 :
4.5
d2 :
5.5
l :
10
l1 :
6
DIN :
DIN 7965
Legende
b=Breite Schlitz, d=Außen-Ø, d1=Innen-Ø, d2=Kern-Ø, l=Totallänge, l1=Länge Innengewinde, M=Innengewindemaß
Artikel-nr. :
0500004
Vorrätig :
Ja
€ 0,2856
pro Stück
€ 0,3456 inkl. MwSt
Anzahl
In den Warenkorb
Produktinformationen herunterladen
Montage : M-6106-23.pdf
In den Warenkorb
Sie bestellen pro Stück