Anmelden  Ein Konto erstellen  Passwort vergessen? 
Loader
9.2.13

Isolierhülsen für 90° Senkschrauben

Isolierhülsen für 90° Senkschrauben
Isolierhülsen für 90° Senkschrauben
Isolierhülsen für 90° Senkschrauben
Isolierhülsen für 90° Senkschrauben
Isolierhülsen für 90° Senkschrauben
Isolierhülsen für 90° Senkschraubendrawing_1
Produktinformation
  • Konische Isolierhülsen für Schrauben mit 90° Senkkopf sind lieferbar für Schrauben mit Gewinde ab M4 bis zu M16
  • Geeignet für Senkkopfschrauben nach DIN963, DIN964, DIN965, DIN966, DIN7991 und ISO10642
  • Dämpft Schwingungen
  • Sichert Senkkopf Schraubverbindungen
  • Schutzt gegen Spritzwasser und Feuchtigkeit
  • Elektrisch isolierend
  • Zur Vorbeugung von elektrolytische Korrosion
  • Behütet beschichtete Oberflächen vor Verkratzungen während das festdrehen der Schraubverbindung
  • Konische Isolierhülsen oder Isolierringe aus Polyamid werden verwendet in Schraubverbindungen mit Senkschrauben zur Dämpfung von Schwingungen und zur Verhütung elektrolytische Korrosion. Oft verwendet in Beleuchtung, elektrotechnische Anlagen, Maritimen zwecken (Boote und Schiffe), Bau und Straßenbau.

Material: PA6 (Polyamid 6)
Farbe: natur

Auf Anfrage lieferbar
  • In PE (polyethylen) oder PP (polypropylen)

Legende
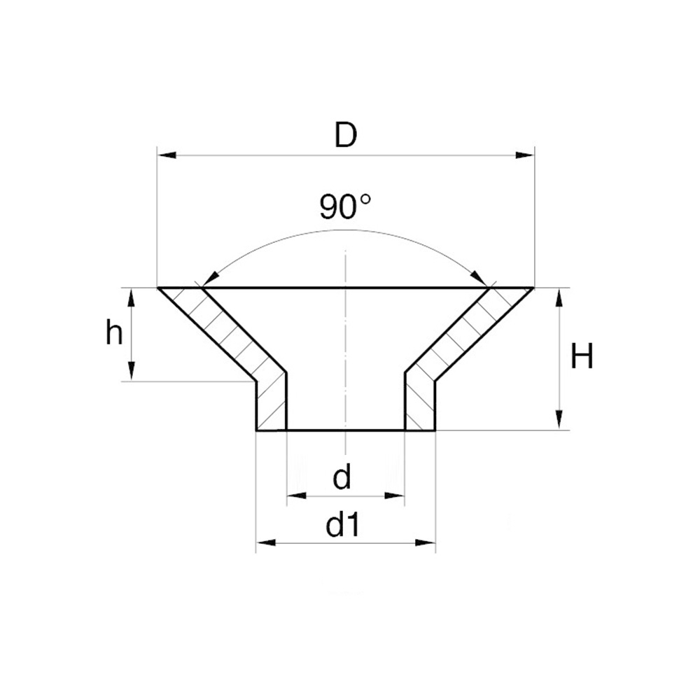
D=Außen-Ø, d=Bohrung-Ø, d1=Außen-Ø, H=Gesamthöhe, h=Höhe Senkung, M=Geeignet für metrische Senkschrauben

Filtern nach
1 Seiten -   1  

Artikel Bezeichnung M D d d1 H h
88.X04000.01 Isolierhülse für Senkschrauben 90° - M4 - PA - naturel M 4 10,4 4,1 5,9 4,3 2,3
88.X05000.01 Isolierhülse für Senkschrauben 90° - M5 - PA - naturel M 5 12,4 5,1 6,9 4,5 2,8
88.X06000.01 Isolierhülse für Senkschrauben 90° - M6 - PA - naturel M 6 12,8 6 8 5 3,3
88.X08000.01 Isolierhülse für Senkschrauben 90° - M8 - PA - naturel M 8 18,6 8,1 9,9 6 4,4
88.X10000.01 Isolierhülse für Senkschrauben 90° - M10 - PA - naturel M10 22,8 10,1 11,9 7 5,5
88.X12000.01 Isolierhülse für Senkschrauben 90° - M12 - PA - naturel M12 27,5 12,1 13 8,5 6,6
88.X16000.01 Isolierhülse für Senkschrauben 90° - M16 - PA - naturel M16 35,4 16,2 19,2 10,8 8,1

1 Seiten -   1  

Paypal  IBAN  Maestro  mastercard  Visa  American Express  iDeal  Bancontact  Bancontact  Bancontact  Bancontact  Giropay  Sofort banking  Verzending net DPD