Anmelden
Anmelden
Ein Konto erstellen
Passwort vergessen?
Leer
0
+31(0)493 322068
Produktsuche im Bilderindex
Themenspecials
Neue Produkte
Technische Daten
Kundenservice
Kontakt
Produktsuche im Bilderindex
Themenspecials
Neue Produkte
Technische Daten
Kundenservice
Kontakt
Rohrkappen
Lamellenstopfen
Gleiter für Freischwinger und Kufengestelle
Schützen, maskieren und abdichten
Abdeckkappen für Schrauben, Mutter und Bolzen
Stäbe und Kantenschutzprofile aus Kunststoff und Gummi
Stellfüße, Nivellierschrauben und Machinefüße
Gleitlager
Verbindungselemente
Steckverbinder
Scharniere
Gummi-Metall-Puffer und Gummibuchsen
Norm- und Bedienteile
Räder und Rollen
Gasfedern und Zubehör
Gasdruckfeder
Befestigungsbügel
Befestigungsbügel mit Schraubverbindung
Befestigungsbügel mit Schraubverbindung 1
Winkelbeschlag mit Stift und Sicherungsring
Winkelbeschlag mit Kügelgelenk
Befestigungsplatte mit Stift und Sicherungsring
Befestigungsplatte mit Schraubverbindung
Befestigungsplatte mit Kügelgelenk
Gelenkaugen
Winkelgelenke
Gabel
Augen
Zaunzubehör
Möbelgleiter und Polsterfüße
Selbstklebende Puffer und Filze
Türstopper und Puffer
Einsteckpuffer und Glasauflagen
Kabelmanagement
Ergonomie
Reihenverbinder für Stühle
Leiterfüße, Leiterschuhe
Bau
Rosetten
Diverse
Ziernagel, Polsternägel und Möbelnagel
Produkte
Gasfedern und Zubehör
Befestigungsbügel
Befestigungsbügel mit Schraubverbindung 1
15.2.2
Befestigungsbügel mit Schraubverbindung 1
Artikel
1 Seiten -
1
Artikel
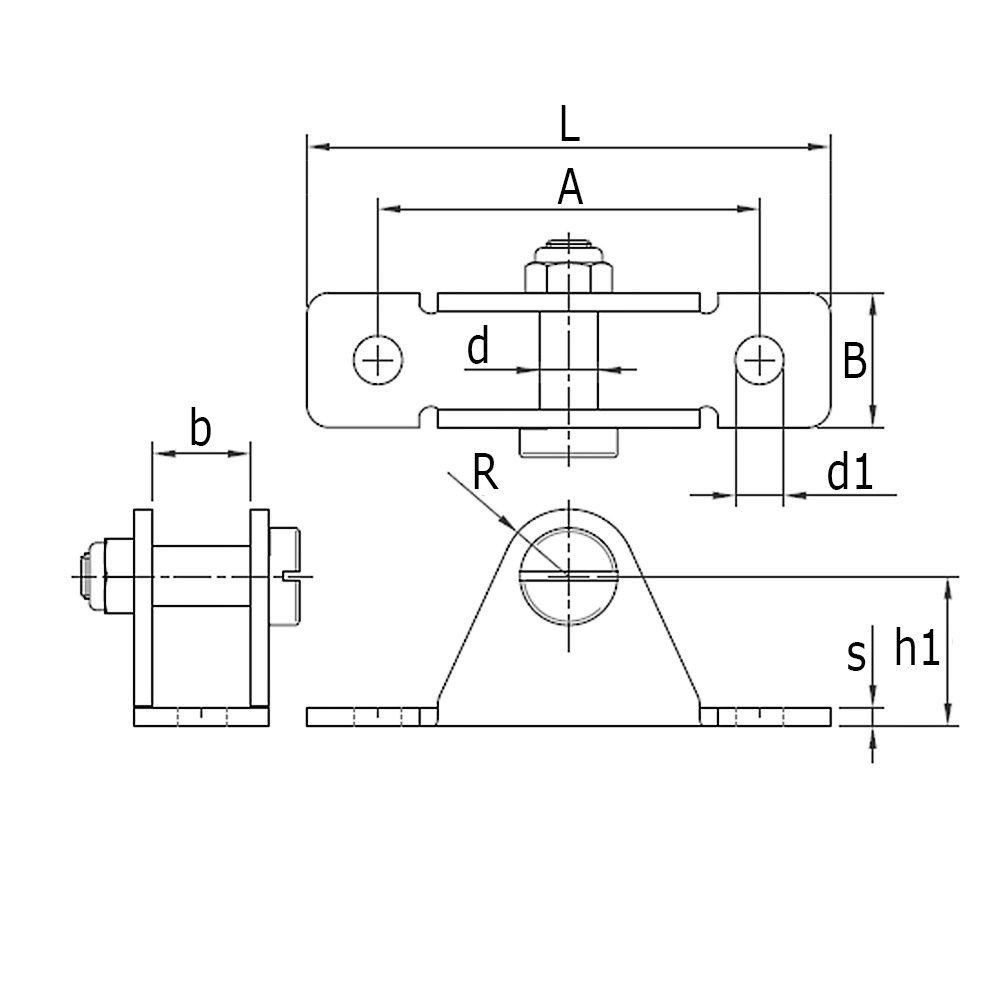
Bezeichnung
A
B
d
d1
s
b
h1
L
N
R
36.66891008
Gasfeder Lagerschuh 70x18x20mm, 2xØ6,5mm - Stich 51mm - Zapfenbolzen Ø8x13mm - max 1800N - Stahl verzinkt
51
18
8
6,5
2,5
13
20
70
1800
9
36.66891008 RVS
Gasfeder Lagerschuh 70x18x20mm, 2xØ6,5mm - Stich 51mm - Zapfenbolzen Ø8x13mm - max 1800N - Edelstahl 316
51
18
8
6,5
2,5
13
20
70
1800
9
1 Seiten -
1