Anmelden  Ein Konto erstellen  Passwort vergessen? 
Loader
8.4

Kunststoff Clipslager mit Doppelbund für Blechdurchführungen

Kunststoff Clipslager mit Doppelbund für Blechdurchführungen
Kunststoff Clipslager mit Doppelbund für Blechdurchführungen
Kunststoff Clipslager mit Doppelbund für Blechdurchführungen
Kunststoff Clipslager mit Doppelbund für Blechdurchführungen
Kunststoff Clipslager mit Doppelbund für Blechdurchführungen
Kunststoff Clipslager mit Doppelbund für Blechdurchführungendrawing_1
Produktinformation
  • Kunststoff-Gleitlager mit Doppelflansch (Clipslager) für Blechdurchführungen erhältlich für Wellen von Ø3 mm bis zu Ø25 mm
  • Geeignet für Blechstärken von 1,5 mm bis 8 mm
  • Der doppelte Bund sichert das Lager nach der Montage fest im Blech
  • Einfache Clip-Montage – kein zusätzliches Befestigungsmaterial erforderlich
  • Geeignet für Dreh-, Linear- und Schwenkbewegungen
  • Wartungsfrei und verschleißfest für eine lange Lebensdauer
  • Einsetzbar als Lagerung und/oder Wellendurchführung in Blech- oder Leichtbaukonstruktionen
  • Anwendbar unter anderem im Maschinenbau, Gerätebau, Scharnierkonstruktionen und in der Automobilindustrie

Material: Compound – siehe Artikel
Farbe: Natur

Legende
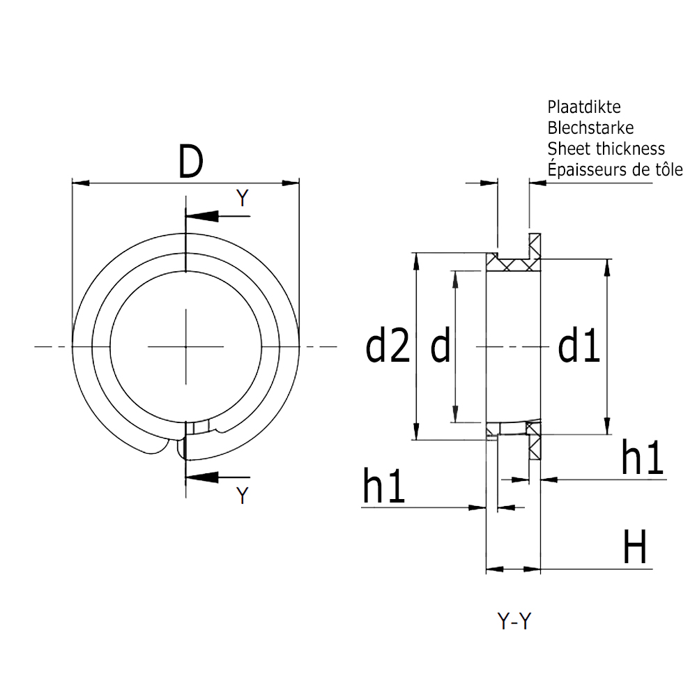
Bohrung=Bohrung Lagergehäuse/Montageloch, D=Bund-Ø-groß, d=Achsloch-Ø, d1=Schaft-Ø, d2=Bund-Ø-klein, H=Gesammthöhe, h1=Bundstärke

Filtern nach
1 Seiten -   1  

Artikel Bezeichnung d2 Bohrung d d1 D H
8806255042020 G Gleitlager - Clips-Lager mit Doppelbund - längsgeschlitzt - Polymer M250 - Ø3.0 x 4.2mm - Blechstärke 2mm - Anthrazit 4,8 4,2 3 4,2 6 3,2
8806255042030 G Gleitlager - Clips-Lager mit Doppelbund - längsgeschlitzt - Polymer M250 - Ø3.0 x 4.2mm - Blechstärke 3mm - Anthrazit 4,8 4,2 3 4,2 6 4,2
8806255052020 G Gleitlager - Clips-Lager mit Doppelbund - längsgeschlitzt - Polymer M250 - Ø4.0 x 5.2mm - Blechstärke 2mm - Anthrazit 5,9 5,2 4 5,2 7 3,2
8806255052030 G Gleitlager - Clips-Lager mit Doppelbund - längsgeschlitzt - Polymer M250 - Ø4.0 x 5.2mm - Blechstärke 3mm - Anthrazit 5,9 5,2 4 5,2 7 4,2
8806255062020 G Gleitlager - Clips-Lager mit Doppelbund - längsgeschlitzt - Polymer M250 - Ø5.0 x 6.2mm - Blechstärke 2mm - Anthrazit 6,8 6,2 5 6,2 8 3,2
8806255062030 G Gleitlager - Clips-Lager mit Doppelbund - längsgeschlitzt - Polymer M250 - Ø5.0 x 6.2mm - Blechstärke 3mm - Anthrazit 6,8 6,2 5 6,2 8 4,2
8806255072015 G Gleitlager - Clips-Lager mit Doppelbund - längsgeschlitzt - Polymer M250 - Ø6.0 x 7.2mm - Blechstärke 1.5mm - Anthrazit 7,8 7,2 6 7,2 11 2,7
8806255072020 G Gleitlager - Clips-Lager mit Doppelbund - längsgeschlitzt - Polymer M250 - Ø6.0 x 7.2mm - Blechstärke 2mm - Anthrazit 7,8 7,2 6 7,2 11 3,2
8806255072030 G Gleitlager - Clips-Lager mit Doppelbund - längsgeschlitzt - Polymer M250 - Ø6.0 x 7.2mm - Blechstärke 3mm - Anthrazit 7,8 7,2 6 7,2 11 4,2
8806255072040 G Gleitlager - Clips-Lager mit Doppelbund - längsgeschlitzt - Polymer M250 - Ø6.0 x 7.2mm - Blechstärke 4mm - Anthrazit 7,8 7,2 6 7,2 11 5,2
8806255090030 G Gleitlager - Clips-Lager mit Doppelbund - längsgeschlitzt - Polymer M250 - Ø7.0 x 9.0mm - Blechstärke 3mm - Anthrazit 9,8 9 7 9 13 4,2
8806255096020 G Gleitlager - Clips-Lager mit Doppelbund - längsgeschlitzt - Polymer M250 - Ø8.0 x 9.6mm - Blechstärke 2mm - Anthrazit 10,4 9,6 8 9,6 13 3,6
8806255096030 G Gleitlager - Clips-Lager mit Doppelbund - längsgeschlitzt - Polymer M250 - Ø8.0 x 9.6mm - Blechstärke 3mm - Anthrazit 10,4 9,6 8 9,6 13 4,6
8806255106020 G Gleitlager - Clips-Lager mit Doppelbund - längsgeschlitzt - Polymer M250 - Ø9.0 x 10.6mm - Blechstärke 2mm - Anthrazit 11,4 10,6 9 10,6 14 3,6
8806255116020 G Gleitlager - Clips-Lager mit Doppelbund - längsgeschlitzt - Polymer M250 - Ø10.0 x 11.6mm - Blechstärke 2mm - Anthrazit 12,4 11,6 10 11,6 15 3,6
8806255116025 G Gleitlager - Clips-Lager mit Doppelbund - längsgeschlitzt - Polymer M250 - Ø10.0 x 11.6mm - Blechstärke 2.5mm - Anthrazit 12,4 11,6 10 11,6 15 4,1
8806255116030 G Gleitlager - Clips-Lager mit Doppelbund - längsgeschlitzt - Polymer M250 - Ø10.0 x 11.6mm - Blechstärke 3mm - Anthrazit 12,4 11,6 10 11,6 15 4,6
8806255116080 G Gleitlager - Clips-Lager mit Doppelbund - längsgeschlitzt - Polymer M250 - Ø10.0 x 11.6mm - Blechstärke 8mm - Anthrazit 12,4 11,6 10 11,6 15 9,6
8806255136020 G Gleitlager - Clips-Lager mit Doppelbund - längsgeschlitzt - Polymer M250 - Ø12.0 x 13.6mm - Blechstärke 2mm - Anthrazit 14,4 13,6 12 13,6 17 3,6
8806255136030 G Gleitlager - Clips-Lager mit Doppelbund - längsgeschlitzt - Polymer M250 - Ø12.0 x 13.6mm - Blechstärke 3mm - Anthrazit 14,4 13,6 12 13,6 17 4,6
8806255136035 G Gleitlager - Clips-Lager mit Doppelbund - längsgeschlitzt - Polymer M250 - Ø12.0 x 13.6mm - Blechstärke 3.5mm - Anthrazit 14,4 13,6 12 13,6 17 5,1
8806255136040 G Gleitlager - Clips-Lager mit Doppelbund - längsgeschlitzt - Polymer M250 - Ø12.0 x 13.6mm - Blechstärke 4mm - Anthrazit 14,4 13,6 12 13,6 17 5,6
8806255156030 G Gleitlager - Clips-Lager mit Doppelbund - längsgeschlitzt - Polymer M250 - Ø14.0 x 15.6mm - Blechstärke 3mm - Anthrazit 16,4 15,6 14 15,6 19 4,6
8806255176020 G Gleitlager - Clips-Lager mit Doppelbund - längsgeschlitzt - Polymer M250 - Ø16.0 x 17.6mm - Blechstärke 2mm - Anthrazit 18,4 17,6 16 17,6 21 3,6
8806255176030 G Gleitlager - Clips-Lager mit Doppelbund - längsgeschlitzt - Polymer M250 - Ø16.0 x 17.6mm - Blechstärke 3mm - Anthrazit 18,4 17,6 16 17,6 21 4,6
8806255176040 G Gleitlager - Clips-Lager mit Doppelbund - längsgeschlitzt - Polymer M250 - Ø16.0 x 17.6mm - Blechstärke 4mm - Anthrazit 18,4 17,6 16 17,6 21 5,6
8806255200030 G Gleitlager - Clips-Lager mit Doppelbund - längsgeschlitzt - Polymer M250 - Ø18.0 x 20.0mm - Blechstärke 3mm - Anthrazit 21 20 18 20 23 5
8806255220030 G Gleitlager - Clips-Lager mit Doppelbund - längsgeschlitzt - Polymer M250 - Ø20.0 x 22.0mm - Blechstärke 3mm - Anthrazit 23 22 20 22 25 5
8806255270030 G Gleitlager - Clips-Lager mit Doppelbund - längsgeschlitzt - Polymer M250 - Ø25.0 x 27.0mm - Blechstärke 3mm - Anthrazit 28 27 25 27 30 5
88062596 N Gleitlager - Clips-Lager mit Doppelbund - längsgeschlitzt - Polymer PA6.6 - Ø10.0 x 11.6mm - Blechstärke 1.5-2.0mm - Natur 0 11,6 10 11,6 15 3,6

1 Seiten -   1  

Kunststoff-Clip-Lager mit Doppeldoppel für Wellen durch Bleche und Platten

Diese Kunststoff Clipslager mit Doppelbund (auch Doppelbundlager genannt) wurden speziell für Wellen entwickelt, die durch Blechmaterial oder Platten geführt werden. Dank der cleveren Clip-Montage lassen sie sich mühelos in das Blechloch einsetzen und sitzen sofort sicher. Der doppelte Bund/Flansch arretiert das Lager beidseitig des Blechs und sorgt so für eine zuverlässige und langlebige Lagerung. Ideal für Dreh-, Schwenk- und Linearbewegungen in Anwendungen, bei denen eine kompakte Bauweise und wartungsfreier Betrieb gefragt sind – etwa im Maschinenbau, Gerätebau oder in der Automobilindustrie.

Paypal  IBAN  Maestro  mastercard  Visa  American Express  iDeal  Bancontact  Bancontact  Bancontact  Bancontact  Giropay  Sofort banking  Verzending net DPD