Anmelden  Ein Konto erstellen  Passwort vergessen? 
Loader
2.6.12

Höhenversteller für Quadratrohr 40x40 – großer Verstellbereich

Höhenversteller für Quadratrohr 40x40 – großer Verstellbereich
Höhenversteller für Quadratrohr 40x40 – großer Verstellbereich
Höhenversteller für Quadratrohr 40x40 – großer Verstellbereich
Höhenversteller für Quadratrohr 40x40 – großer Verstellbereich
Höhenversteller für Quadratrohr 40x40 – großer Verstellbereich
Höhenversteller für Quadratrohr 40x40 – großer Verstellbereich
Höhenversteller für Quadratrohr 40x40 – großer Verstellbereichdrawing_1
Höhenversteller für Quadratrohr 40x40 – großer Verstellbereichdrawing_2
Produktinformation
  • Dieses Modell Höhenversteller mit justierbarem Kunststoff-Fuß, auch Justierstopfen oder Sockelfuß genannt, ist lieferbar für Quadratrohre von 40x40mm mit einer Wandstärke von 1,5mm bis zu 2,0mm
  • Großer Verstellbereich, maximale stufenlose Höhenverstellung von 100mm oder 170mm
  • Aufstellfläche / Fußdurchmesser von Ø40mm oder Ø68mm
  • Dieses Modell Höhenversteller wird oft verwendet im Büromöbelbereich als Höhenversteller für Tischbeine, für Möbel wie z.B. Sitz-Steh-Tische, Computertische, Schreibtische und Arbeitsplätze, wobei ergonomische Höhenverstellung erwünscht ist.

Material: PA GF (Polyamid glasfaserverstärkt)
Farbe: schwarz



Zubehör (als Option, nach Belieben)
  • Antirutsch-Gleitschutzstopfen (4x pro Fuß)

Legende
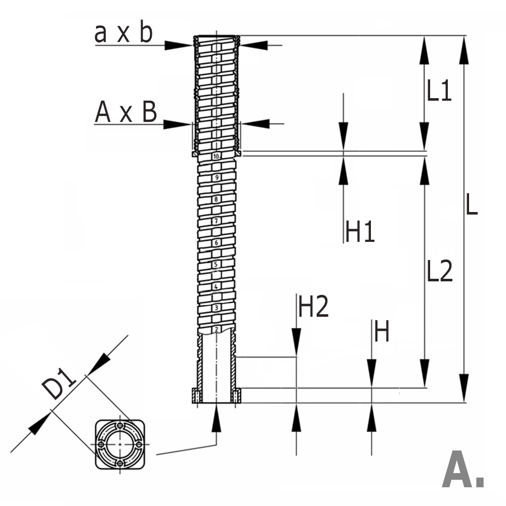
AxB=Bundmaße, axb=Lammellenmaße, Ausf.=Wandstärke, D1=Fuß-Ø, H=Fußhöhe, H1=Bundstärke, H2=Minimumhöhe bei eingedrehter Spindel, L=Totallänge, L1=Schaftlänge, L2=Verstellbereich, Rohrmaße=Rohraußenmaße

Filtern nach
1 Seiten -   1  

Artikel Bezeichnung Ausführung Typ MOQ a b D1
7009402 Z Höhenversteller für Quadratrohr 40X40X1,5 verstellbereich 100mm 1,5 A 400 37,5 37,5 40
7009440 Z Höhenversteller für Quadratrohr 40X40X1,5 verstellbereich 100mm 1,5 B 400 37,5 37,5 68
7003440 Z Höhenversteller für Quadratrohr 40X40X2 verstellbereich 100mm 2,0 B 36,5 36,5 68
7004402 Z Höhenversteller für Quadratrohr 40X40X2 verstellbereich 100mm 2,0 A 36,5 36,5 40
7008401 Z Höhenversteller für Quadratrohr 40X40X1,5 verstellbereich 170mm 1,5 A 37,5 37,5 40
7008440 Z Höhenversteller für Quadratrohr 40X40X1,5 verstellbereich 170mm 1,5 B 400 37,5 37,5 68
7002440 Z Höhenversteller für Quadratrohr 40X40X2 verstellbereich 170mm 2,0 B 200 36,5 36,5 68
7004401 Z Höhenversteller für Quadratrohr 40X40X2 verstellbereich 170mm 2,0 A 36,5 36,5 40

1 Seiten -   1  

Paypal  IBAN  Maestro  mastercard  Visa  American Express  iDeal  Bancontact  Bancontact  Bancontact  Bancontact  Giropay  Sofort banking  Verzending net DPD