Anmelden  Ein Konto erstellen  Passwort vergessen? 
Loader
2.3.38.2

Montagehulsen

Montagehulsen
Montagehulsen
Montagehulsen
Montagehulsen
Montagehulsen
Montagehulsendrawing_1
Produktinformation
  • Lose Montagehulsen / Klemmhulsen zum Montieren von Gelenkgleiter mit Artikelnummer 777012500
  • Klemmhulsen sind lieferbar für Rohrmaße Ø16x2mm (Bohrungen oder Rohrinnen von Ø12mm)
  • Diese Montagehulsen oder Klemmhulsen sind unter anderem geeignet als ersatz Hulsen für Stühle mit schräge Beine.

Material: Klemmhulse - PE (Polyethylen)
Farbe: Klemmhulse – schwarz

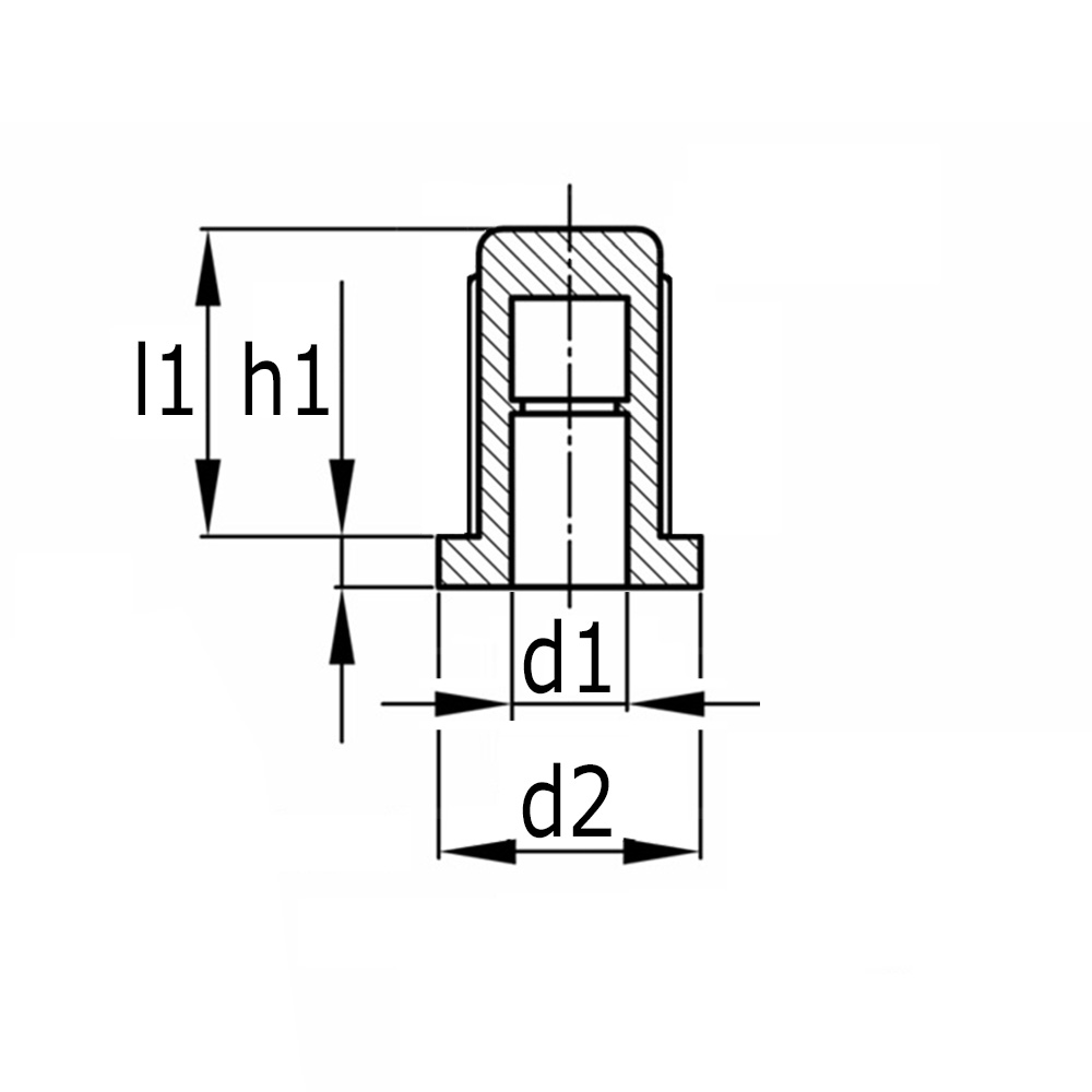
Legende
d1=Ø-Bohrung, d2=Bund-Ø, d3=Schaft-Ø, h1=Bundstärke, l1=Länge

1 Seiten -   1  

Artikel Bezeichnung Rohrmaße Ausführung d1 l1 d2 h1
560000162008 Klemmhülse für Gelenkgleiter mit Klemmstift Ø8x20mm für Ründrohr Ø16x2,0mm 16 2,0 8 21 16 4

1 Seiten -   1  

Paypal  IBAN  Maestro  mastercard  Visa  American Express  iDeal  Bancontact  Bancontact  Bancontact  Bancontact  Giropay  Sofort banking  Verzending net DPD