Anmelden  Ein Konto erstellen  Passwort vergessen? 
Loader

Apparate-Lenkrolle Ø65mm PU Bereifung - Anschraubplatte - schwarz

Apparate-Lenkrolle Ø65mm PU Bereifung - Anschraubplatte - schwarz
Apparate-Lenkrolle Ø65mm PU Bereifung - Anschraubplatte - schwarz
Apparate-Lenkrolle Ø65mm PU Bereifung - Anschraubplatte - schwarz
Apparate-Lenkrolle Ø65mm PU Bereifung - Anschraubplatte - schwarz
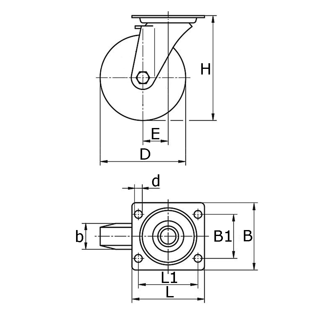
D : 65
H : 95
B : 85
L : 105
B1 : 60
Typ : C
E : 20
L1 : 78
K : 400
b : 50
d : 9
Farbe/RAL : Schwarz
Shore A ° : 94° ±2
Befestigungsart : Anschraubplatte
Lagertyp : Kügellager
Rollenbauart : Lenkrolle
Laufbelag : PU / TPU
Artikel-nr. :
33.E065.222.03
Vorrätig :Ja
€ 26,5306
pro Stück
€ 32,1020 inkl. MwSt
Anzahl

Paypal  IBAN  Maestro  mastercard  Visa  American Express  iDeal  Bancontact  Bancontact  Bancontact  Bancontact  Giropay  Sofort banking  Verzending net DPD