Anmelden  Ein Konto erstellen  Passwort vergessen? 
Loader
14.7.2

Bockrolle – Platte – Vollgummi-Reifen auf Stahlfelge

Bockrolle – Platte – Vollgummi-Reifen auf Stahlfelge
Bockrolle – Platte – Vollgummi-Reifen auf Stahlfelge
Bockrolle – Platte – Vollgummi-Reifen auf Stahlfelge
Bockrolle – Platte – Vollgummi-Reifen auf Stahlfelge
Bockrolle – Platte – Vollgummi-Reifen auf Stahlfelge
Bockrolle – Platte – Vollgummi-Reifen auf Stahlfelge
Bockrolle – Platte – Vollgummi-Reifen auf Stahlfelge
Bockrolle – Platte – Vollgummi-Reifen auf Stahlfelgedrawing_1
Produktinformation
  • Bockrollen mit Standard-Vollgummi-Reifen auf Stahlfelge sind lieferbar in verschiedenen Größen von Ø80mm bis zu Ø250mm
  • Aus verzinktem Stahlblech gepresstes Rollengehäuse mit Montageplatte
  • Maximale zulässige statische Tragfähigkeit von 50kg bis zu 260kg bei 4km/h
  • Felge aus gepresstem Stahlblech und galvanisch verzinkt
  • Nabe versehen von Rollenlager
  • Standard-Vollgummi-Reifen in Härte von 80° Shore A ±3°
  • Temperaturbeständigkeit von -20 °C bis auf +80 °C Grad
  • Der schwarze Reifen kann Streifen auf dem Boden hinterlassen
  • Hohe Beständigkeit gegen viele aggressive Medien; nicht gegen Öl und Fett
  • Diese Räder sind geräuscharm, abriebfest und wartungsfrei bei Normalverwendung
  • Diese Bockrollen sind geeignet für allgemeine Verwendungszwecke im Innen- und Außenbereich.

Material & Farbe
  • Rollengehäuse: Stahlblech verzinkt - zinkfarbig
  • Reifen: Vollgummi – schwarz
  • Felge und Nabe: Stahlblech verzinkt – zinkfarbig
  • Rollenlager: Stahl

Lagertyp
Typ B: Rad mit Rollenlager (Fett geschmiert)

Legende
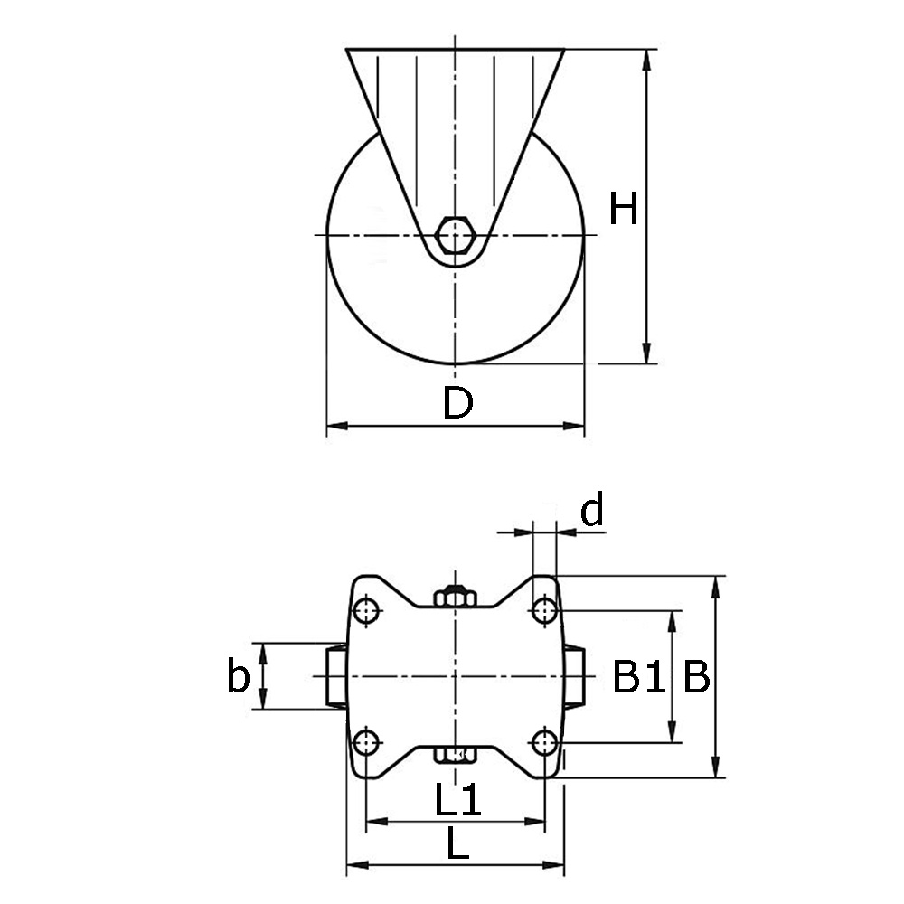
B=Plattenbreite, b=Breite Lauffläche, B1=Abstand der Bohrungsmitten, D=Ø-Rad, d=Ø-Bohrung, E=Ausladung, H=Bauhöhe, K=Maximale zulässige statische Tragfähigkeit in kg bei 4 km/h, L=Plattenlänge, L1=Abstand der Bohrungsmitten, Typ=Lagertyp

Filtern nach
1 Seiten -   1  

Artikel Bezeichnung D H K b B d
33.B080.444.02 Bockrol 80mm, schwarzen elastische Gummi Reife, verzinkter Stahl-Felge, mit Rollenlager 80 106 50 30 80 8,2
33.B100.444.02 Bockrol 100mm, schwarzen elastische Gummi Reife, verzinkter Stahl-Felge, mit Rollenlager 100 128 70 30 80 8,2
33.B125.444.02 Bockrol 125mm, schwarzen elastische Gummi Reife, verzinkter Stahl-Felge, mit Rollenlager 125 155 100 37 80 8,4
33.B140.444.02 Bockrol 140mm, schwarzen elastische Gummi Reife, verzinkter Stahl-Felge, mit Rollenlager 140 175 115 37 80 9
33.B160.444.02 Bockrol 160mm, schwarzen elastische Gummi Reife, verzinkter Stahl-Felge, mit Rollenlager 160 198 135 40 105 11
33.B200.444.02 Bockrol 200mm, schwarzen elastische Gummi Reife, verzinkter Stahl-Felge, mit Rollenlager 200 237 205 48 105 11
33.B225.444.02 Bockrol 225mm, schwarzen elastische Gummi Reife, verzinkter Stahl-Felge, mit Rollenlager 225 267 260 50 110 11
33.B250.444.02 Bockrol 250mm, schwarzen elastische Gummi Reife, verzinkter Stahl-Felge, mit Rollenlager 250 280 250 50 107 11

1 Seiten -   1  

Paypal  IBAN  Maestro  mastercard  Visa  American Express  iDeal  Bancontact  Bancontact  Bancontact  Bancontact  Giropay  Sofort banking  Verzending net DPD