Anmelden
Anmelden
Ein Konto erstellen
Passwort vergessen?
Leer
0
+31(0)493 322068
Produktsuche im Bilderindex
Themenspecials
Neue Produkte
Technische Daten
Kundenservice
Kontakt
Produktsuche im Bilderindex
Themenspecials
Neue Produkte
Technische Daten
Kundenservice
Kontakt
Rohrkappen
Lamellenstopfen
Gleiter für Freischwinger und Kufengestelle
Schützen, maskieren und abdichten
Gewinde und Bohrung Schutz
Hitzebeständige Schutzelemente
Rohr- und Flanschschutz
Flanschabdeckung – push-in
Flanschabdeckung Dichtleiste RF /FF - push-in
Selbstklebende Gummi Flanschscheiben - Dichtleisten RF FF
Flanschabdeckung steckbar in den Bohrlöchern
Gerippte Rohrschutzstopfen
Schutzkappen für Außengewinde und Rundrohre
Schutzkappen für Rohren - ANSI & ISO 6708
Schutzkappen für Rohren - flexibel - ANSI & ISO 6708
O-Ringe
Schlauch- und Kabelschutz
Abdeckband
Abdeckkappen für Schrauben, Mutter und Bolzen
Stäbe und Kantenschutzprofile aus Kunststoff und Gummi
Stellfüße, Nivellierschrauben und Machinefüße
Gleitlager
Verbindungselemente
Steckverbinder
Scharniere
Gummi-Metall-Puffer und Gummibuchsen
Norm- und Bedienteile
Räder und Rollen
Gasfedern und Zubehör
Zaunzubehör
Möbelgleiter und Polsterfüße
Selbstklebende Puffer und Filze
Türstopper und Puffer
Einsteckpuffer und Glasauflagen
Kabelmanagement
Ergonomie
Reihenverbinder für Stühle
Leiterfüße, Leiterschuhe
Bau
Rosetten
Diverse
Ziernagel, Polsternägel und Möbelnagel
Produkte
Schützen, maskieren und abdichten
Rohr- und Flanschschutz
Gerippte Rohrschutzstopfen
Gerippte Rohrschutzstopfen Ø 18-19mm D=19.7mm - rot
Gerippte Rohrschutzstopfen Ø 18-19mm D=19.7mm - rot
Speichern
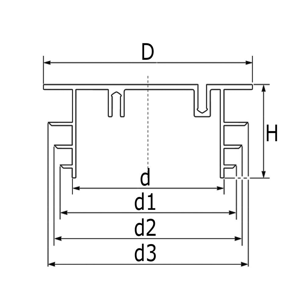
D :
19.7
H :
31.4
Typ :
C
d :
12
a :
4
d2 :
19.3
Rohrmaße :
20
d3 :
22
Bohrung :
18-19
Farbe/RAL :
Rot
Volle Box :
2000 Stück
Kann in beliebiger Anzahl bestellt werden
Legende
ANSI-B=Ø, Ausf.=Maximale Wandstärke, Borung=Geeignet für min/max Rohrinnenmaß, D=Ø-Kopf, d=Ø-Schaft, d1-d3=Lamellen-Ø, DIN=DN-Rohrmaß, H=Höhe, Rohrmaße=Rohr Außen-Ø, Typ=Ausfühurng bez. Montagemogichkeiten der Ringstop
Artikel-nr. :
53.0020.000 R
Vorrätig :
Ja
€ 0,0881
pro Stück
€ 0,1066 inkl. MwSt
Anzahl
In den Warenkorb
In den Warenkorb
Sie bestellen pro Stück