Anmelden  Ein Konto erstellen  Passwort vergessen? 
Loader
7.2.4

Stellfüße Edelstahl – Extra Hygiene - Befestigungslasche

Stellfüße Edelstahl – Extra Hygiene - Befestigungslasche
Stellfüße Edelstahl – Extra Hygiene - Befestigungslasche
Stellfüße Edelstahl – Extra Hygiene - Befestigungslasche
Stellfüße Edelstahl – Extra Hygiene - Befestigungslasche
Stellfüße Edelstahl – Extra Hygiene - Befestigungslasche
Stellfüße Edelstahl – Extra Hygiene - Befestigungslasche
Stellfüße Edelstahl – Extra Hygiene - Befestigungslasche
Stellfüße Edelstahl – Extra Hygiene - Befestigungslaschedrawing_1
Produktinformation
  • Stellfüße in extra hygienischer Ausführung in schwerer Qualität aus Edelstahl sind lieferbar mit Gewindespindel von M16 bis zu M24 mit Gewindelängen von 140mm bis zu 220mm
  • Extra hygienisch: Gewindespindel verdeckt durch Dichtungsbuchse innerhalb das Verstellbereich
  • Fußteller von Ø60mm, Ø80mm, Ø100mm oder Ø120mm
  • Fußteller ausgeführt mit Lippe/Befestigungslasche zum Bodenmontage
  • Anti-Rutsch-Sohle (Gleitschutz) mit Edelstahlkappe
  • FDA-genehmigt (Food and Drug Administration)
  • Maximale vertikale statische Belastbarkeit von 700kg bis zu 3000kg
  • Aufstellwinkel von maximal +/- 10°
  • Die Gewindespindel ist ausgestatten mit flache Seiten zum Verstellen mit Schraubenschlüssel
  • Leicht zu reinigen wegen die abgerundete Form des Fußtellers und die Verdeckte Gewindespindel
  • Diese extra hygienischer Stellfuss mit verdeckter Gewindespindel ist geeignet für die Verwendung auf Maschinen, Konstruktionen, Förderbändern und Transportbändern, schweren Regalen u.s.w., die hohe Ansprüche stellen in Bezug auf Lebensmittelsicherheit, Hygiene, Stabilität, Belastbarkeit und Reinigbarkeit.

Material: Fuß – NBR (Acrylnitril-Butadien-Kautschuk) und Edelstahl AISI 301 (A2), Gewindespindel & – Edelstahl AISI 304 (A2-70)
Farbe: Fuß – Edelstahlfarben / schwarz, Gewindespindel – edelstahlfarben

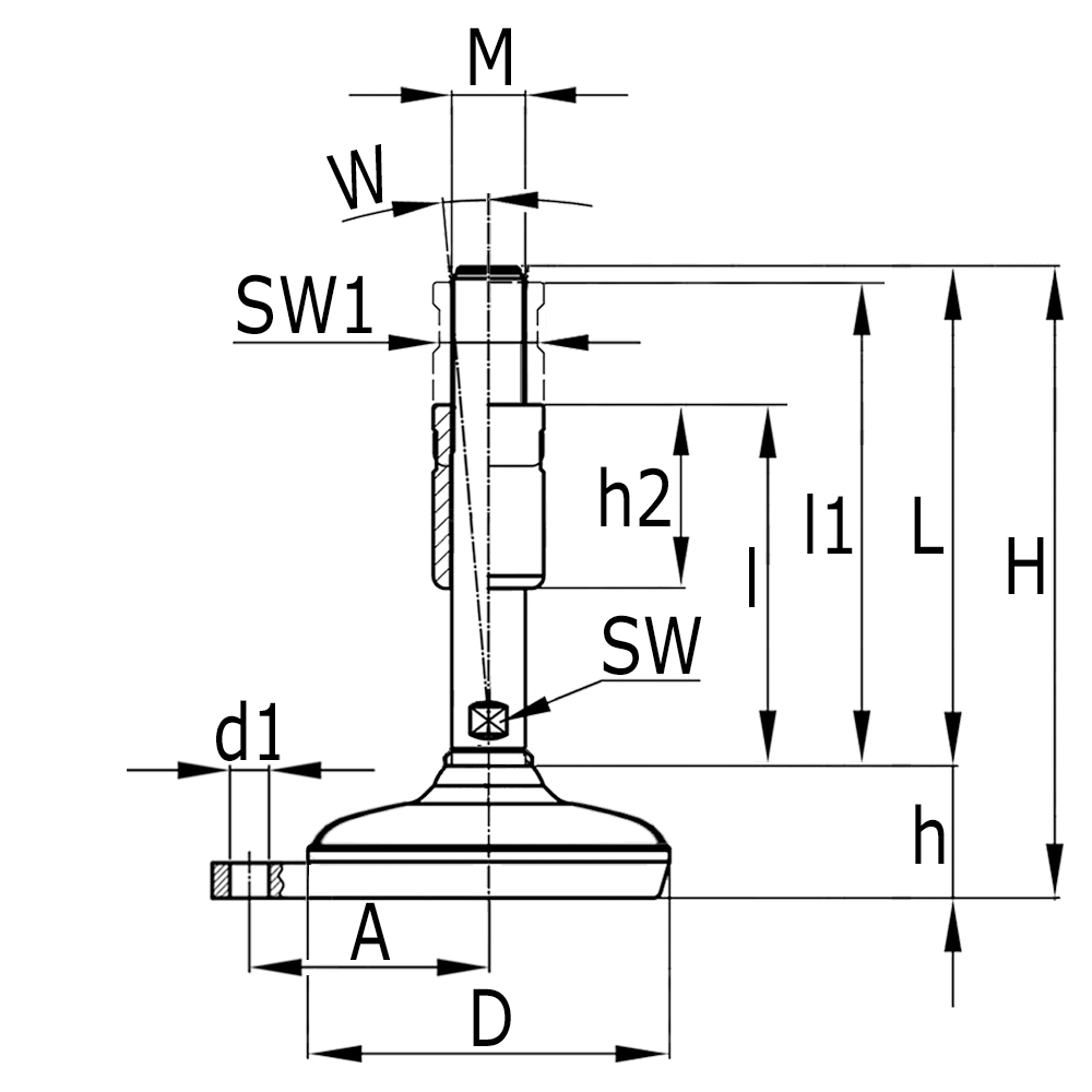
Legende
A=Mitten-Abstand Spindel-Montageloch, D=Teller-Ø, d1=Ø-Montageloch, H=Totalhöhe, h=Tellerhöhe, h2=Büchsenhöhe, K=Maximale statische Belastung in kg, L=Gewindelange, l=Min. Verstellhöhe, l1=Max. Verstellhöhe, M=Gewindemaß, SW=Schlüsselweite, SW1=Schlüsselweite 1

Filtern nach
1 Seiten -   1  

Artikel Bezeichnung M A D H h K
798.C08016140 Stellfuss Edelstahl in schwerer Ausführung Ø80MM M16X140 - extra Hygiene mit Befestigungslasche Ø15mm M16 58 80 171,5 31,5 1500
798.C10016140 Stellfuss Edelstahl in schwerer Ausführung Ø100MM M16X140 - extra Hygiene mit Befestigungslasche Ø15mm M16 68 100 176,5 36,5 2000
798.C12016140 Stellfuss Edelstahl in schwerer Ausführung Ø120MM M16X140 - extra Hygiene mit Befestigungslasche Ø17mm M16 83 120 180,5 40,5 3000

1 Seiten -   1  

Paypal  IBAN  Maestro  mastercard  Visa  American Express  iDeal  Bancontact  Bancontact  Bancontact  Bancontact  Giropay  Sofort banking  Verzending net DPD